| Balónové pneumatiky | Dvojité pneumatiky s mezikružím | Dvojité pneumatiky bez mezikruží | ||
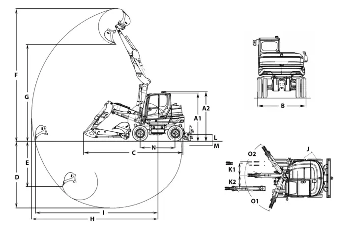
| Výška planýrovací radlice | 495 mm | 495 mm | 495 mm | |
| A1 | Výška s kabinou | 2.963 mm | 2.980 mm | 2.971 mm |
| A2 | Celková výška s výstražným majákem | 3.057 mm | 3.074 mm | 3.065 mm |
| B | Šířka podvozku | 2.450 mm | 2.454 mm | 2.521 mm |
| C | Přepravní délka | 6.314 mm | 6.314 mm | 6.314 mm |
| D | Hloubka výkopu max. | 4.211,7 mm | 4.211,7 mm | 4.211,7 mm |
| E | Max. hloubka vpichování | 2.858,3 mm | 2.858,3 mm | 2.858,3 mm |
| F | Max. výška vpichování | 8.262,4 mm | 8.262,4 mm | 8.262,4 mm |
| G | Výsypná výška max. | 5.582,1 mm | 5.582,1 mm | 5.582,1 mm |
| I | Dosah na zemi max. | 7.660,4 mm | 7.660,4 mm | 7.660,4 mm |
| J | Poloměr otáčení zádě | 1.690 mm | 1.690 mm | 1.690 mm |
| K1 | Max. přesazení výložníku (na střed lžíce pravá strana) | 940 mm | 940 mm | 940 mm |
| K2 | Max. přesazení výložníku (na střed lžíce levá strana) | 625 mm | 625 mm | 625 mm |
| L | Stohovací výška max. (planýrovací radlice nad rovinou terénu) | 390 mm | 390 mm | 390 mm |
| M | Seřezávací hloubka max. (planýrovací radlice pod rovinou terénu) | 136 mm | 136 mm | 136 mm |
| N | Rozvor kol | 2.200 mm | 2.200 mm | 2.200 mm |
| O1 | Úhel natočení max. (systém ramene doleva) | 70 ° | 70 ° | 70 ° |
| O2 | Úhel natočení max. (systém ramene doprava) | 55 ° | 55 ° | 55 ° |